Full Wave Rectifier Diagram For Motorcycle
Full-wave rectifiers are used to convert AC voltage to DC voltage requiring multiple diodes to construct.
Full wave rectifier diagram for motorcycle. On the other hand full-wave rectifier improves on the conversion efficiency of AC power to DC power. Full Wave Rectifier Bridge Rectifier Circuit Diagram With Design Three Phase Full Wave Rectifier. 1-Connect the full wave rectifier circuit as shown in the above figure Set the function generator to 50 Hz 8 Vp-p sinusoidal voltage using the oscilloscope 2- Connect the oscilloscope terminals across the resistor and measure Vp.
Full Wave Rectifier Circuit circuit diagram of full wave rectifier with capacitor filter. Wire connection for use with most machines. 3-Calculate the DC level of the full-wave rectifier signal using eq3 and the RMS using eq4.
Trail Techs RegulatorRectifier is not an. Full wave rectification is the process of converting an AC signal to a DC signal. Full Wave Bridge Rectifier Circuit Diagram with Input and Output Wave Forms During the first half cycle Thus during the first half cycle diodes D1 and D 3 are forward biased and current flows through arm AB enters the load resistance R L and returns back flowing through arm DC.
It will also reduce the harmonic contents of the rectified waveform and reduce the requirement on the smoothing filter needed to reduce the ripple in the rectified waveform. The lower efficiency drawback of half wave rectifier can be overcome by using full wave rectifier. If the breaker does not trip the short is still downstream either in a rectifier output accessory or the groundbed circuit.
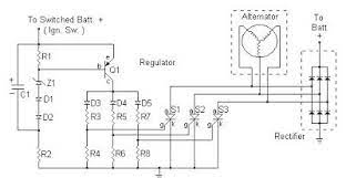
Circuit Diagram and Construction of Full Wave Bridge Rectifier These diodes are arranged in series pairs that only two diodes conduct current during each half cycle. Remove either DC lead from the rectifier stack H or I. Regulator Rectifier Circuit Diagram Motorcycle and How To Test Voltage Regulator Rectifiers For Motorcycle Atv Utv Snowmobile Powersports Engines.
The rectification efficiency of full wave rectifiers is double that of half wave rectifiers. Configuration results in each diode conducting in turn when its anode terminal is positive with respect to the transformer center point C produces an output during both half-cycles. The diagram indicates that the yellow with white tracer isnt used.
