Motorcycle Rear Master Cylinder Problems
Unscrew the front brake master cylinders fluid reservoir using a Phillips screwdriver.
Motorcycle rear master cylinder problems. Be aware of this when using brembo components with your machine. All brembo braking products use a 10mm x 100mm thread pitch for hydraulic fittings. They said it was a bad master cylinder.
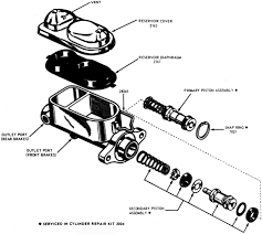
2006 Yamaha V STAR 1100 SILVERADO CA XVS11ATVC 2006 Yamaha V STAR 1100 SILVERADO CA XVS11ATVC Rear Master Cylinder Change Assembly. Lift the reservoir diaphragm out of the master cylinder and inspect the condition of the brake fluid. Kawasaki KZ1300 rear master cylinder problems.
I have also found that letting the lever snap back out helps. Some fluid would come out but either there are massive amounts of air in the line which I doubt because there was fluid in the reservoir or the MC is shot. I usually run one entire reservoir of fluid through the bleeder.
The lever presses into the master cylinder and compresses the brake fluid. If that is the case the piston may get stuck and keeps pressure on the system or will not operate. Rear Master Cylinder Assy.
81 was the first year they made the GPz and it came with rear disc brakes. A vehicle with a bad brake master cylinder will have inoperable or compromised brakes and therefore will be unsafe to drive. This presents a huge problem because I have searched on many of the parts sources on this forum and there is no rebuild kit for it.
Reset Zoom In Zoom Out. Its like the master cylinder wouldnt pump the fluid. Honda ISR Kawasaki and Yamaha use 125mm x 100 thread pitch for their fittings Suzuki use 10mm x 100mm.
