Bmw Motorcycle Abs Module
They want 3100 to repair it.
Bmw motorcycle abs module. This has all been done fine without any trouble. I also have a 1150RT working just fine. R1150RT Failed ABS Module not so.
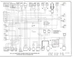
It is an affordable alternative to the OE BMW tool 341580 - cost 213 and will allow you to bleed andor flush the brake fluid on your late model Integral ABS system yourself. ABS System K1200LT. The questoins is these to bikes has the same abs pump may i shift them to see if will make the 1200LT work back.
28 Turn off the ignition. ABS Module cannot be rebuilt. This item can be shipped worldwide.
The seller is crickers_123 and is located in Newhaven. ABS Module Failure 2008 R1200RT. At Long Beach BMW Motorcycles our commitment begins and ends with you our valued clientsWe maintain as our number one goal the complete satisfaction of all of our customersWhether youre buying a new or pre-owned motorcycle obtaining service buying a part or just looking around.
I would also like to know if the module has to be bled separately since one thread in this forum seemed to indicate that it didnt. Sale Regular price 35000. The electronic control unit could have some suspect components replaced but how would it be sealed and tested.
The R 1200 S and the F 800 SST are equipped with the new ABS system which was specifically designed for lightweight sporting machines and so does not offer the integral function. In this video I show you in detail whats involved in removing your integral ABS system from your bike. About two months ago I took my wife for a ride on our 1150RT to San Diego.
