3 Wire Motorcycle Turn Signals
Hello Select your address All.
3 wire motorcycle turn signals. FREE Shipping on orders over 25 shipped by Amazon. There are 2 wires. Motorcycle turn signals 3 wire.
The remaining wire should be ground. Only 11 left in stock - order soon. 3 wire motorcycle turn signals.
Can be used and mounted on the front and or rear of your motorcycle. How to Add Turn Signals and Wire Them Up. 50 out of 5 stars.
One positive and one negative. Get it as soon as Mon Feb 1. Use a test light and make sure that this is right.
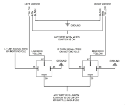
One wire is the hot wire Brown and the other is a ground or earth wire. Its not that hard. Three wire setups allow the turn signal to operate as a running light when not active.
You will need to disconnect the dash light put a diode circuit in place for left and right and add a ground to the opposite side of the dash light. Wire your 2 wire signal to the wire that flashes signal lead and the ground to ground or signal base body. One wire will flash with your turn signal.
